Общие сведения
Клапан сертифицирован в установленном законодательством порядке.
Предел огнестойкости клапана FKS-2м(120):
• в режиме нормального открытого (огнезадерживающего) клапана — EI120;
• в режиме нормального закрытого клапана — EI120;
• в режиме клапана дымоудаления — E120.
Противопожарный клапан систем вентиляции зданий и сооружений FKS-2м(120) (далее клапан) по своему функциональному назначению может применяться как в качестве огнезадерживающего с нормально открытой заслонкой (НО), так и дымового с нормально закрытой заслонкой (НЗ), согласно требованиям СНиП 41-01-2003 и СП 7.13130.2009. Вид климатического исполнения и категория размещения У3 по ГОСТ 15150-69. Предельные значения рабочей температуры окружающего воздуха от -30°С до +40°С при условии отсутствия прямого воздействия атмосферных осадков. Клапан выпускается прямоугольного или круглого сечения. Устанавливается в проемах или местах прохода вентиляционных систем через противопожарные преграды. Клапан работоспособен в любой пространственной ориентации. Клапан не подлежит установке в вентиляционных каналах помещений категории А и Б по взрывопожароопасности, местных отсосах взрывопожароопасных смесей. Клапан изготовлен из оцинкованной стали. Конструкция клапана представляет собой две секции, между которыми проложен огнеупорный материал, выполняющий роль температурного шва. Клапан состоит из секции №1 и секции №2 корпуса, заслонки, привода и защитного кожуха, предохраняющего привод при монтаже и эксплуатации клапана.*
Клапан комплектуется следующими типами приводов:
• электромеханический FS, FSN (Sputnik);
• электромеханический BFL, BEN (Belimo);
• электромагнитный ЭМ.

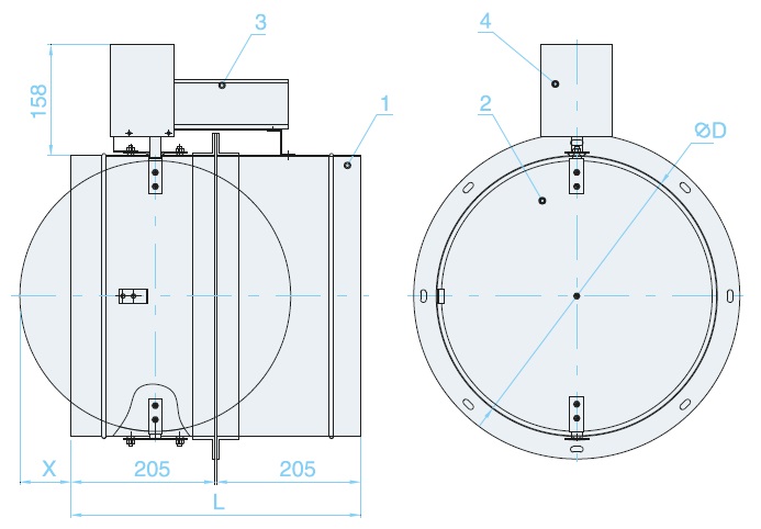
Обозначение на схемах:
1 — корпус клапана;
2 — заслонка;
3 — электромеханический привод;
4 — электромагнит;
5 — защитный кожух;
B и H — размеры внутреннего сечения клапана, мм
B1 = B + 60
H1 = H + 60
| Н, мм | 100 | 150 | 200 | 250 | 300 | 350 | 400 | 450 | 500 | 550 | 600 | 650 | 700 | 750 | 800 | 850 | 900 | 950 | 1000 |
|---|---|---|---|---|---|---|---|---|---|---|---|---|---|---|---|---|---|---|---|
| X, мм | 0 | 0 | 25 | 50 | 75 | 100 | 125 | 150 | 175 | 200 | 225 | 250 | 275 | 300 | 325 | 350 | 375 | 400 | 425 |
| X1, мм | 0 | 0 | 0 | 0 | 0 | 0 | 0 | 0 | 15 | 40 | 65 | 90 | 115 | 140 | 165 | 190 | 215 | 240 | 265 |


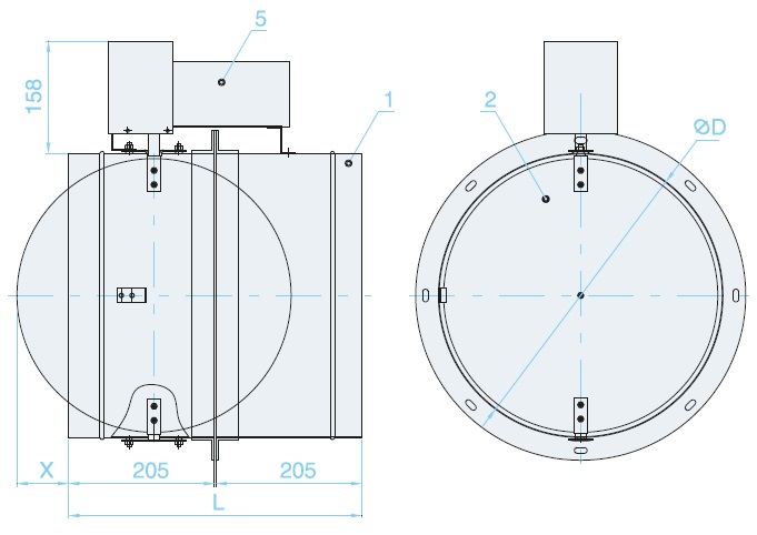
Обозначение на схемах:
1 — корпус клапана;
2 — заслонка;
3 — электромеханический привод;
4 — защитный кожух;
5 — электромагнитный привод;
D — диаметр клапана, мм;
L — длина клапана, мм.
Длина клапанов на ниппельном соединении — L=410 мм.
Длина на фланцевом соединении — L=400 мм.
Минимальный диаметр клапана с электромеханическим и электромагнитным приводом — Ø100. Необходимо обратить внимание, что потери давления на клапанах Ø100, Ø125, Ø140, Ø160 относительно велики, поэтому их применение должно иметь технико-экономическое обоснование. В большинстве случаев рекомендуется применять клапаны минимальным диаметром 200 мм.
| Н, мм | 100 | 125 | 140 | 160 | 180 | 200 | 225 | 250 | 280 | 315 | 355 | 400 | 450 | 500 | 560 | 630 | 710 | 800 |
|---|---|---|---|---|---|---|---|---|---|---|---|---|---|---|---|---|---|---|
| X, мм | 0 | 0 | 0 | 0 | 0 | 0 | 0 | 0 | 13 | 31 | 50,5 | 73 | 98 | 123 | 153 | 188 | 228 | 273 |
| X1, мм | 0 | 0 | 0 | 0 | 0 | 0 | 0 | 0 | 0 | 0 | 0 | 0 | 0 | 0 | 0 | 16 | 56 | 101 |
В таблице представлены значения вылета заслонки за корпус клапана FKS-2m круглого сечения как на ниппельном, так и на фланцевом соединении
| A, мм | B, мм | ||||||||||||||||||
|---|---|---|---|---|---|---|---|---|---|---|---|---|---|---|---|---|---|---|---|
| 100 | 150 | 200 | 250 | 300 | 350 | 400 | 450 | 500 | 550 | 600 | 650 | 700 | 750 | 800 | 850 | 900 | 950 | 1000 | |
| 100 | 0,007 | — | — | — | — | — | — | — | — | — | — | — | — | — | — | — | — | — | — |
| 150 | 0,01 | 0,017 | — | — | — | — | — | — | — | — | — | — | — | — | — | — | — | — | — |
| 200 | 0,01 | 0,023 | 0,033 | — | — | — | — | — | — | — | — | — | — | — | — | — | — | — | — |
| 250 | 0,02 | 0,029 | 0,041 | 0,053 | — | — | — | — | — | — | — | — | — | — | — | — | — | — | — |
| 300 | 0,02 | 0,035 | 0,05 | 0,064 | 0,079 | — | — | — | — | — | — | — | — | — | — | — | — | — | — |
| 350 | 0,02 | 0,041 | 0,058 | 0,075 | 0,092 | 0,109 | — | — | — | — | — | — | — | — | — | — | — | — | — |
| 400 | 0,03 | 0,047 | 0,067 | 0,086 | 0,106 | 0,125 | 0,145 | — | — | — | — | — | — | — | — | — | — | — | — |
| 450 | 0,03 | 0,053 | 0,075 | 0,097 | 0,119 | 0,141 | 0,163 | 0,185 | — | — | — | — | — | — | — | — | — | — | — |
| 500 | 0,04 | 0,059 | 0,084 | 0,108 | 0,133 | 0,157 | 0,182 | 0,206 | 0,231 | — | — | — | — | — | — | — | — | — | — |
| 550 | 0,04 | 0,065 | 0,092 | 0,119 | 0,146 | 0,173 | 0,2 | 0,227 | 0,254 | 0,281 | — | — | — | — | — | — | — | — | — |
| 600 | 0,04 | 0,071 | 0,101 | 0,13 | 0,16 | 0,189 | 0,219 | 0,248 | 0,278 | 0,307 | 0,337 | — | — | — | — | — | — | — | — |
| 650 | 0,05 | 0,077 | 0,109 | 0,141 | 0,173 | 0,205 | 0,237 | 0,269 | 0,301 | 0,333 | 0,365 | 0,397 | — | — | — | — | — | — | — |
| 700 | 0,05 | 0,083 | 0,118 | 0,152 | 0,187 | 0,221 | 0,256 | 0,29 | 0,325 | 0,359 | 0,394 | 0,428 | 0,463 | — | — | — | — | — | — |
| 750 | 0,05 | 0,089 | 0,126 | 0,163 | 0,2 | 0,237 | 0,274 | 0,311 | 0,348 | 0,385 | 0,422 | 0,459 | 0,496 | 0,533 | — | — | — | — | — |
| 800 | 0,06 | 0,095 | 0,135 | 0,174 | 0,214 | 0,253 | 0,293 | 0,332 | 0,372 | 0,411 | 0,451 | 0,49 | 0,53 | 0,569 | 0,609 | — | — | — | — |
| 850 | 0,06 | 0,101 | 0,143 | 0,185 | 0,227 | 0,269 | 0,311 | 0,353 | 0,395 | 0,437 | 0,479 | 0,521 | 0,563 | 0,605 | 0,647 | 0,689 | — | — | — |
| 900 | 0,06 | 0,107 | 0,152 | 0,196 | 0,241 | 0,285 | 0,33 | 0,374 | 0,419 | 0,463 | 0,508 | 0,552 | 0,597 | 0,641 | 0,686 | 0,73 | 0,775 | — | — |
| 1000 | 0,07 | 0,119 | 0,169 | 0,218 | 0,268 | 0,317 | 0,367 | 0,416 | 0,466 | 0,515 | 0,565 | 0,614 | 0,664 | 0,713 | 0,763 | 0,812 | 0,862 | 0,911 | 0,961 |
| 1100 | 0,08 | 0,131 | 0,186 | 0,24 | 0,295 | 0,349 | 0,404 | 0,458 | 0,513 | 0,567 | 0,622 | 0,676 | 0,731 | 0,785 | 0,84 | 0,894 | 0,949 | — | |
| 1200 | 0,08 | 0,143 | 0,203 | 0,262 | 0,322 | 0,381 | 0,441 | 0,5 | 0,56 | 0,619 | 0,679 | 0,738 | 0,798 | 0,857 | 0,917 | — | — | — | — |
| 1300 | 0,09 | 0,155 | 0,22 | 0,284 | 0,349 | 0,413 | 0,478 | 0,542 | 0,607 | 0,671 | 0,736 | 0,8 | 0,865 | — | — | — | — | — | — |
| 1400 | 0,098 | 0,167 | 0,237 | 0,306 | 0,376 | 0,445 | 0,515 | 0,584 | 0,654 | 0,723 | 0,793 | — | — | — | — | — | — | — | — |
| 1500 | 0,105 | 0,179 | 0,254 | 0,328 | 0,403 | 0,477 | 0,552 | 0,626 | 0,701 | — | — | — | — | — | — | — | — | — | — |
| D, мм | 100 | 125 | 140 | 16 | 180 | 200 | 225 | 250 | 280 | 315 | 355 | 400 | 450 | 500 | 560 | 630 | 710 | 800 |
|---|---|---|---|---|---|---|---|---|---|---|---|---|---|---|---|---|---|---|
| F, м2 | 0,006 | 0,01 | 0,013 | 0,017 | 0,022 | 0,027 | 0,035 | 0,044 | 0,053 | 0,071 | 0,091 | 0,12 | 0,15 | 0,19 | 0,23 | 0,3 | 0,38 | 0,48 |
Клапаны, размеры которых превышают указанные в таблице конструируются индивидуально.
| A, мм | B, мм | ||||||||||||||||||
|---|---|---|---|---|---|---|---|---|---|---|---|---|---|---|---|---|---|---|---|
| 100 | 150 | 200 | 250 | 300 | 350 | 400 | 450 | 500 | 550 | 600 | 650 | 700 | 750 | 800 | 850 | 900 | 950 | 1000 | |
| 100 | 6,14 | — | — | — | — | — | — | — | — | — | — | — | — | — | — | — | — | — | — |
| 150 | 6,68 | 7,29 | — | — | — | — | — | — | — | — | — | — | — | — | — | — | — | — | — |
| 200 | 7,22 | 7,91 | 8,59 | — | — | — | — | — | — | — | — | — | — | — | — | — | — | — | — |
| 250 | 7,76 | 8,53 | 9,29 | 10,1 | — | — | — | — | — | — | — | — | — | — | — | — | — | — | — |
| 300 | 8,3 | 9,15 | 10 | 10,8 | 11,7 | — | — | — | — | — | — | — | — | — | — | — | — | — | — |
| 350 | 8,84 | 9,77 | 10,7 | 11,6 | 12,6 | 13,5 | — | — | — | — | — | — | — | — | — | — | — | — | — |
| 400 | 9,38 | 10,4 | 11,4 | 12,4 | 13,4 | 14,4 | 15,4 | — | — | — | — | — | — | — | — | — | — | — | — |
| 450 | 9,92 | 11 | 12,1 | 13,2 | 14,3 | 15,4 | 16,5 | 17,6 | — | — | — | — | — | — | — | — | — | — | — |
| 500 | 10,5 | 11,6 | 12,8 | 14 | 15,2 | 16,3 | 17,5 | 18,7 | 19,8 | — | — | — | — | — | — | — | — | — | — |
| 550 | 11 | 12,3 | 13,5 | 14,8 | 16 | 17,3 | 18,5 | 19,8 | 21 | 22,3 | — | — | — | — | — | — | — | — | — |
| 600 | 11,5 | 12,9 | 14,2 | 15,5 | 16,9 | 18,2 | 19,6 | 20,9 | 22,2 | 23,6 | 24,9 | — | — | — | — | — | — | — | — |
| 650 | 12,1 | 13,5 | 14,9 | 16,3 | 17,7 | 19,2 | 20,6 | 22 | 23,4 | 24,8 | 26,2 | 27,7 | — | — | — | — | — | — | — |
| 700 | 12,6 | 14,1 | 15,6 | 17,1 | 18,6 | 20,1 | 21,6 | 23,1 | 24,6 | 26,1 | 27,6 | 29,1 | 30,6 | — | — | — | — | — | — |
| 750 | 13,2 | 14,7 | 16,3 | 17,9 | 19,5 | 21,1 | 22,6 | 24,2 | 25,8 | 27,4 | 29 | 30,5 | 32,1 | 33,7 | — | — | — | — | — |
| 800 | 13,7 | 15,4 | 17 | 18,7 | 20,3 | 22 | 23,07 | 25,3 | 27 | 28,6 | 30,3 | 32 | 33,6 | 35,3 | 37 | — | — | — | — |
| 850 | 14,2 | 16 | 17,7 | 19,5 | 21,2 | 22,9 | 24,7 | 26,4 | 28,2 | 29,9 | 31,7 | 33,4 | 35,1 | 36,9 | 38,6 | 40,4 | — | — | — |
| 900 | 14,8 | 16,6 | 18,4 | 20,2 | 22,1 | 23,9 | 25,7 | 27,5 | 29,4 | 31,2 | 33 | 34,8 | 36,7 | 38,5 | 40,3 | 42,1 | 44 | — | — |
| 1000 | 15,9 | 17,8 | 19,8 | 21,8 | 23,8 | 25,8 | 27,8 | 29,8 | 31,7 | 33,7 | 35,7 | 37,7 | 39,7 | 41,7 | 43,7 | 45,7 | 47,6 | 49,6 | 51,6 |
| 1100 | 16,94 | 19,1 | 21,2 | 23,4 | 25,5 | 27,7 | 29,8 | 32 | 34,1 | 36,3 | 38,4 | 40,6 | 42,7 | 44,9 | 47 | 49,2 | 51,3 | — | — |
| 1200 | 18 | 20,3 | 22,6 | 25 | 27,3 | 29,6 | 31,9 | 34,2 | 36,5 | 38,8 | 41,1 | 43,5 | 45,8 | 48,1 | 50,4 | — | — | — | — |
| 1300 | 19,1 | 21,6 | 24 | 26,5 | 29 | 31,5 | 33,9 | 36,4 | 38,9 | 41,4 | 43,8 | 46,3 | 48,8 | — | — | — | — | — | — |
| 1400 | 20,2 | 22,8 | 25,4 | 28,1 | 30,7 | 33,4 | 36 | 38,6 | 41,3 | 43,9 | 46,5 | — | — | — | — | — | — | — | — |
| 1500 | 21,3 | 24,1 | 26,9 | 29,7 | 32,5 | 35,3 | 38,1 | 40,9 | 43,7 | — | — | — | — | — | — | — | — | — | — |
| D, мм | 100 | 125 | 140 | 160 | 180 | 200 | 225 | 250 | 280 | 315 | 355 | 400 | 450 | 500 | 560 | 630 | 710 | 800 |
|---|---|---|---|---|---|---|---|---|---|---|---|---|---|---|---|---|---|---|
| m , кг | 4,96 | 5,62 | 6,02 | 6,57 | 7,15 | 7,85 | 8,44 | 9,03 | 9,43 | 10,57 | 11,52 | 12,6 | 13,8 | 15 | 16,5 | 18,2 | 20,3 | 22,7 |
Клапаны, размеры которых превышают указанные в таблице конструируются индивидуально
| A, мм | B, мм | ||||||||||||||||||
|---|---|---|---|---|---|---|---|---|---|---|---|---|---|---|---|---|---|---|---|
| 100 | 150 | 200 | 250 | 300 | 350 | 400 | 450 | 500 | 550 | 600 | 650 | 700 | 750 | 800 | 850 | 900 | 950 | 1000 | |
| 100 | 6,07 | ||||||||||||||||||
| 150 | 5,02 | 4,6 | |||||||||||||||||
| 200 | 4,98 | 3,89 | 2,13 | ||||||||||||||||
| 250 | 4,41 | 3,5 | 1,91 | 1,09 | |||||||||||||||
| 300 | 4,08 | 3,23 | 1,75 | 0,99 | 0,69 | ||||||||||||||
| 350 | 3,84 | 3,04 | 1,63 | 0,93 | 0,64 | 0,51 | |||||||||||||
| 400 | 3,67 | 2,91 | 1,54 | 0,88 | 0,6 | 0,47 | 0,41 | ||||||||||||
| 450 | 3,55 | 2,81 | 1,48 | 0,83 | 0,57 | 0,45 | 0,39 | 0,36 | |||||||||||
| 500 | 3,45 | 2,73 | 1,44 | 0,8 | 0,54 | 0,43 | 0,37 | 0,34 | 0,32 | ||||||||||
| 550 | 3,37 | 2,67 | 1,39 | 0,78 | 0,53 | 0,41 | 0,36 | 0,32 | 0,3 | 0,3 | |||||||||
| 600 | 3,31 | 2,63 | 1,37 | 0,76 | 0,51 | 0,4 | 0,34 | 0,31 | 0,29 | 0,29 | 0,29 | ||||||||
| 650 | 3,26 | 2,59 | 1,34 | 0,74 | 0,5 | 0,39 | 0,33 | 0,3 | 0,29 | 0,28 | 0,28 | 0,28 | |||||||
| 700 | 3,22 | 2,55 | 1,31 | 0,72 | 0,49 | 0,38 | 0,32 | 0,29 | 0,28 | 0,27 | 0,27 | 0,27 | 0,27 | ||||||
| 750 | 3,19 | 2,53 | 1,29 | 0,71 | 0,48 | 0,38 | 0,32 | 0,29 | 0,27 | 0,26 | 0,26 | 0,26 | 0,26 | 0,26 | |||||
| 800 | 3,15 | 2,5 | 1,29 | 0,71 | 0,47 | 0,37 | 0,31 | 0,29 | 0,27 | 0,26 | 0,25 | 0,25 | 0,25 | 0,25 | 0,25 | ||||
| 850 | 3,13 | 2,48 | 1,27 | 0,7 | 0,46 | 0,36 | 0,3 | 0,28 | 0,26 | 0,25 | 0,24 | 0,24 | 0,24 | 0,24 | 0,24 | 0,24 | |||
| 900 | 3,11 | 2,46 | 1,26 | 0,69 | 0,46 | 0,36 | 0,3 | 0,27 | 0,26 | 0,24 | 0,24 | 0,24 | 0,24 | 0,24 | 0,24 | 0,24 | 0,23 | ||
| 950 | 3,08 | 2,45 | 1,25 | 0,68 | 0,46 | 0,35 | 0,29 | 0,27 | 0,25 | 0,24 | 0,23 | 0,23 | 0,23 | 0,23 | 0,23 | 0,23 | 0,23 | 0,22 | |
| 1000 | 3,06 | 2,43 | 1,23 | 0,68 | 0,45 | 0,35 | 0,29 | 0,27 | 0,25 | 0,24 | 0,23 | 0,23 | 0,23 | 0,23 | 0,23 | 0,23 | 0,23 | 0,22 | 0,21 |
| 1100 | 3,03 | 2,4 | 1,22 | 0,66 | 0,44 | 0,34 | 0,29 | 0,26 | 0,24 | 0,23 | 0,22 | 0,22 | 0,22 | 0,22 | 0,22 | 0,22 | 0,22 | ||
| 1200 | 3,01 | 2,38 | 1,21 | 0,65 | 0,44 | 0,33 | 0,29 | 0,25 | 0,23 | 0,22 | 0,22 | 0,21 | 0,21 | 0,21 | 0,21 | ||||
| 1300 | 2,98 | 2,37 | 1,2 | 0,64 | 0,43 | 0,33 | 0,28 | 0,25 | 0,23 | 0,22 | 0,21 | 0,21 | 0,21 | ||||||
| 1400 | 2,97 | 2,36 | 1,19 | 0,64 | 0,43 | 0,32 | 0,28 | 0,24 | 0,23 | 0,21 | 0,21 | ||||||||
| 1500 | 2,96 | 2,35 | 1,18 | 0,63 | 0,42 | 0,32 | 0,27 | 0,24 | 0,22 | ||||||||||
| D, мм | 100 | 125 | 140 | 160 | 180 | 200 | 225 | 250 | 280 | 315 | 355 | 400 | 450 | 500 | 560 | 630 | 710 | 800 |
|---|---|---|---|---|---|---|---|---|---|---|---|---|---|---|---|---|---|---|
| ξв | 3,5 | 2,8 | 2,1 | 1,56 | 1,23 | 1,01 | 0,57 | 0,4 | 0,35 | 0,25 | 0,2 | 0,17 | 0,15 | 0,13 | 0,11 | 0,11 | 0,08 | 0,06 |
Клапаны, размеры которых превышают указанные в таблице конструируются индивидуально.
| Режим | Перепад давления на клапане Р, Па | Расход воздуха через неплотности клапана | |
|---|---|---|---|
| L, м3×с-1 | G, кг×с-1 | ||
| Разрежение | 706,3 | 0,0434 | 0,0531 |
| 588,6 | 0,0388 | 0,0475 | |
| 470,9 | 0,0365 | 0,0448 | |
| 392,4 | 0,0331 | 0,0405 | |
| 274,7 | 0,0268 | 0,0328 | |
| 196,2 | 0,0219 | 0,0268 | |
| 706,3 | 0,0393 | 0,0482 | |
| Нагнетание | 588,6 | 0,0357 | 0,0438 |
| 470,9 | 0,0322 | 0,0395 | |
| 392,4 | 0,0278 | 0,0341 | |
| 274,7 | 0,0231 | 0,0283 | |
| 196,2 | 0,0196 | 0,0241 |


Установка клапана осуществляется в соответствии с требованиями нормативных документов. Клапан монтируется в проеме строительной конструкции с расположением привода, как правило, в помещении, смежном с обслуживаемым (пожароопасным) помещением.
Обозначения на схемах:
А — обслуживаемое помещение;
Б — помещение, смежное с обслуживаемым;
1, 2 — корпус клапана;
3 — ось заслонки;
4 — воздуховод;
5 — строительная конструкция с нормированным пределом огнестойкости;
6 — наружная теплозащита.
Зазор между корпусом клапана и строительными конструкциями заполняется цементно-песчаным раствором. При установке клапана необходимо обеспечить доступ к приводу и люкам обслуживания клапана. При установке клапанов FKS-2м за пределами стен (перекрытий) наружная огнезащита должна наноситься до конца первой секции клапана, и в соответствии с требованиями СНиП 41-01-2003 и СП 7.13130.2009 должна обеспечивать предел огнестойкости не менее предела огнестойкости преграды.