Узел терморегулирования тепловых завес функционально отличается от узла регулирования калориферов приточных установок. Цикл работы завесы непродолжителен (1– 3 минуты), остальное время завеса находится в «ждущем» режиме, время выхода на рабочий режим должно быть минимальным и исчисляться секундами. Во время работы завеса должна выдавать максимальную тепловую мощность, т. е. регулирующий клапан при включении должен максимально быстро открываться.
Узел терморегулирования тепловых завес SUS-TZ максимально реализует функционал тепловых завес, удобен в установке и эксплуатации и соответствует схемам, рекомендованным ведущими производителями тепловых завес. Шаровые краны служат для отключения узла регулирования от тепловой сети. Сетчатый фильтр защищает регулирующий клапан и калорифер от попадания в них твердых частиц, способных повлиять на работоспособность узла. Регулирующий клапан с приводом и запорно-регулирующий клапан обеспечивают подачу максимального количества теплоносителя на воздухонагреватель на рабочем режиме и минимально необходимого количества в «ждущем» режиме. Во время работы завесы трехходовой клапан полностью открыт, и максимальное количество теплоносителя протекает через воздухонагреватель. В то время, когда завеса выключена, клапан закрывается и минимальное количество теплоносителя протекает через ручной регулировочный вентель, обеспечивая постоянное наполнение завесы и подающей линии горячим теплоносителем и поддерживая минимальную циркуляцию в линии теплоснабжения.
Рабочее давление: 0–10 бар.
Рабочая температура: до +110°C.
Теплоноситель: вода, антифриз.

Cхема узла терморегулирования Исполнение 1
1. Шаровой кран
2. Фильтр косой сетчатый
3. Клапан регулирующий с приводом
4. Клапан регулирующий

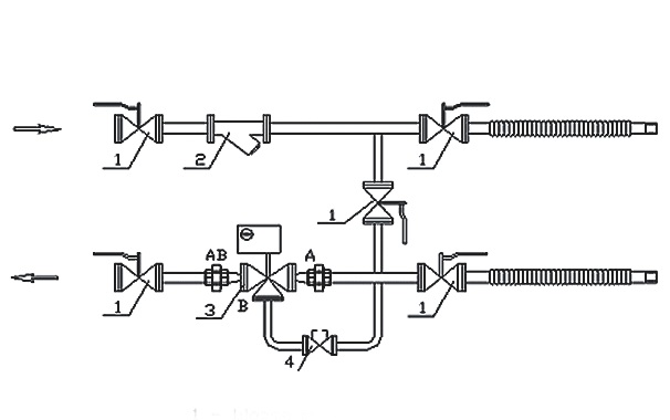
Cхема узла терморегулирования Исполнение 2
1. Шаровой кран
2. Фильтр косой сетчатый
3. Клапан регулирующий с приводом
4. Клапан регулирующий

Cхема узла терморегулирования Исполнение 3
1. Шаровой кран
2. Фильтр косой сетчатый
3. Клапан регулирующий с приводом
4. Клапан регулирующий
5. Обратный клапан

| Модель | Присоед. Размер | Исп.3 Насос | Макс. Расход теплоносителя, м3/ч | Регулирующий клапан | Кvs клапана | Привод регулирующего клапана | ||
|---|---|---|---|---|---|---|---|---|
| Привод | Управление | Усилие | ||||||
| SUS-TZ-20-4.0 | G 3/4″ | UCP 25-40 1х230в | 2 | BV-3 -20-4,0 | 4 | 4,0 DA04N230 | ON/OFF | 4Нм |
| SUS-TZ-25-6.3 | G 1″ | UCP 25-60 1х230в | 3 | BV-3 -25-6,3 | 6,3 | 4,0 DA04N230 | ON/OFF | 4Нм |
| SUS-TZ-25-10 | G 1″ | UCP 25-80 1х230в | 5 | BV-3 -25-10 | 10 | 4,0 DA04N230 | ON/OFF | 4Нм |
| SUS-TZ-32-16 | G 1 1/4″ | UCP 32-80 1х230в | 8 | BV-3 -25-16 | 16 | 4,0 DA04N230 | ON/OFF | 4Нм |
| SUS-TZ-40-25 | G 1 1/2″ | GHN 32-120/180 1х230в | 12 | BV-3 -40-25 | 25 | DA08N230 | ON/OFF | 8Hm |
| SUS-TZ-50-40 | G 2″ | GHN Basic 40-120F 3х380в | 18 | BV-3 -50-40 | 40 | DA08N230 | ON/OFF | 8Hm |